Angiogenesis

The human body contains more than 60,000 miles of blood vessels, including at least 19 billion capillaries. This means that, under physiological conditions, cells are located no further than 100–200 μm from the nearest capillary.
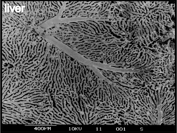
It has been demonstrated that blood vessels possess the capacity to adapt to the diverse characteristics of human tissues.
It is evident that organs exhibit a high degree of variability in relation to their physiological characteristics.

Angiogenesis can be defined as the physiological process through which novel blood vessels form from pre-existing vessels. Angiogenesis is a vital process in growth and development, as well as in wound healing. Nevertheless, this is a crucial stage in the shift of tumours from a harmless state to a harmful one.

Intussusceptive Angiogenesis

 

 

Angiogenesis, the formation of new blood vessels from existing vascular network is a fundamental biological process, both in normal as well as malignant development. There appear to be two different mechanisms of angiogenesis distinguished: sprouting and intussusception. 

Intussusceptive (nonsprouting) angiogenesis is a well-known process that shapes the formation of new blood vessels in cancer, inflammation, and regeneration. Intussusceptive angiogenesis is a fast process that creates two tubes from a single vessel. Intussusceptive angiogenesis is different from sprouting angiogenesis because it doesn't require cell proliferation, can quickly expand an existing capillary network, and can keep organs functioning during replication. It helps new blood vessels grow in tissues where there aren't any yet. The way that branch angle remodeling and intussusceptive angiogenesis are connected is shown by the intussusceptive pillar. It looks like this process is controlled by tiny forces in the blood and the pressure on the walls. This pillar formation and branch remodeling may be an important way that the body adapts to higher blood flow and pressure during inflammation and regeneration. The process of intussusceptive angiogenesis starts within a few minutes. Pillars are found after 15 to 30 minutes.

3D Imaging of vasculature

The following images illustrate different physiological and pathological blood vessel architectures, which were replicated by Microvascular corrosion casting and visualized by Scanning electron microscopy (SEM). Please use 3D glasses to observe the 3D SEM images. 

Eye development

Anaglyphic 3D SEM image of microvascular corrosion cast depicts the vascular branching by intussusceptive angiogenesis in the early development of the eye cavity.

Ocular vascular plexus

Anaglyphic 3D SEM image of microvascular corrosion cast  demonstrates the microvascular hierarchy in the mature murine eyeball.

Colon mucosa

Anaglyphic 3D SEM image of microvascular corrosion cast shows normal colonic vasculature in the gut.

Colon cancer

In contrast, microvascular architecture in colon adenocarcinoma is characterized by  the chaotic arrangement of abnormal, tortous tumor blood vessels.

Pulmonary circulation

Anaglyphic 3D SEM image of microvascular corrosion cast  illustrates numerous alveolar baskets adjacent to the bronchial walls.

Lung metastasis

Contrary to regular pulmonary architecture, the microvasculature of a renal cell carcinoma reveals the tumor-specific shape of vessel degradation.

Wir benötigen Ihre Zustimmung zum Laden der Übersetzungen

Wir nutzen einen Drittanbieter-Service, um den Inhalt der Website zu übersetzen, der möglicherweise Daten über Ihre Aktivitäten sammelt. Bitte überprüfen Sie die Details in der Datenschutzerklärung und akzeptieren Sie den Dienst, um die Übersetzungen zu sehen.